ATinyUVLander制作教程
ATinyUVLander

模型图
CAD源文件点击下载

下载PDF文件 点击下载
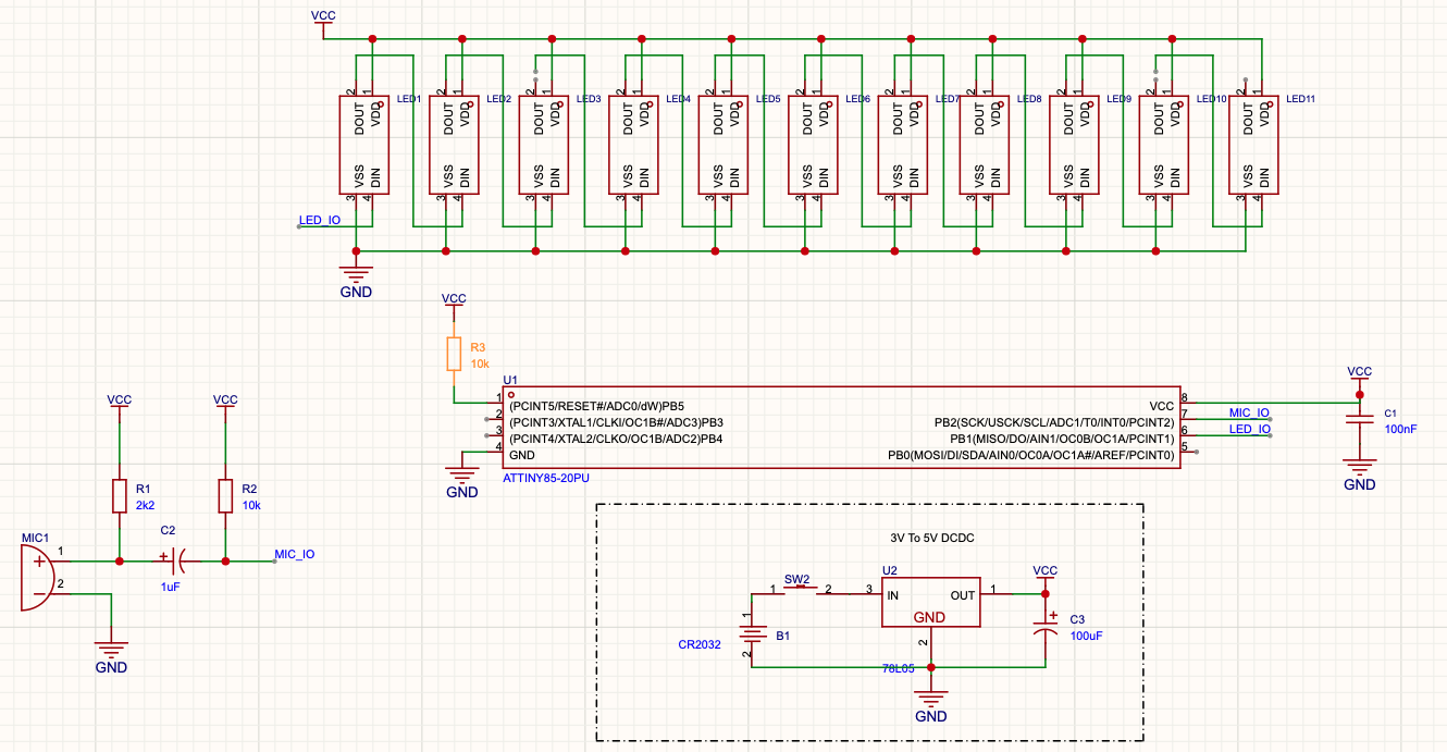
原理图

ATtiny85引脚图


材料清单
| 元件 | 数量 |
|---|---|
| 1、ATTINY85单片机(已烧录固件) | x1 |
| 2、WS2812B焕彩灯珠 | x12(用10个) |
| 3、麦克风 | x1 |
| 4、10K电阻 | x2 |
| 5、2K电阻 | x1 |
| 6、1uf电容 | x1 |
| 7、100nf电容 | x3 |
| 8、3V转5VDC-DC模块 | x1 |
| 9、电解电容 | x1(可不用) |
| 10、铜丝 | 3M |
| 11、圆铜片 | x4 |
| 12、CR2032电池 | x1 |
| 13、开关 | x1 |
| 14、模型1:1打印图纸 | x1 |
工具清单
制作您需要准备以下工具:
1、电洛铁
2、焊锡丝
3、助焊剂
4、尖嘴钳
5、记号笔
还需要一些辅助固定的工具,看情况准备
制作视频
如何把黄铜丝弄直
制作步骤一:
制作步骤二:
制作步骤三:
制作步骤四:
制作步骤五:
希望你也能制作成功~
文档信息
版权声明:可自由转载(请注明转载出处)-非商用-非衍生
发表时间:2025年6月7日 09:29